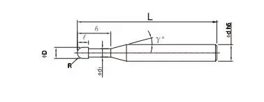
Dao Phay HDB 2-Flute Ball

Đã bán: 0
Lượt xem: 24
Mã sản phẩm: hdb-2-flute-ball
Liên hệ: 0867.743.986
Chi tiết sản phẩm

Đột phá hiệu suất cắt với dao phay HDB 2-Flute Ball

 

Khi nhu cầu tăng tốc độ cắt và giảm thời gian sản xuất ngày càng lớn, các kỹ sư cơ khí buộc phải tìm loại dao phay có khả năng vận hành bền bỉ trong điều kiện khắc nghiệt mà không ảnh hưởng đến độ chính xác trong gia công.
- Trăn trở khi gia công ở tốc độ cắt cao khiến dao phay nhanh mòn buộc các kỹ sư cơ khí phải thay dao liên tục làm tăng chi phí mua dụng cụ thay thế.
- Loay hoay với nguy cơ hình thành vết nứt trên bề mặt dao do phải chịu đồng thời áp lực va đập và ứng suất nhiệt lớn khiến dao phay dễ gãy đột ngột và làm gián đoạn tiến độ sản xuất.
- Bức bối vì thiếu bảng thông số cắt được chuẩn hóa từ nhà sản xuất khiến kỹ sư phải tự điều chỉnh và thử nghiệm nhiều lần gây tiêu tốn vật tư và giảm hiệu suất tổng thể của dây chuyền.

Dao phay HDB 2-Flute Ball mang đến giải pháp toàn diện với các đặc điểm được thiết kế riêng cho quá trình gia công cơ khí chính xác cao.
- Kéo dài tuổi thọ của dao phay khi gia công ở tốc độ cao nhờ cấu trúc hạt kim cương tinh khiết giúp tăng khả năng chống mài mòn và duy trì độ sắc bén trong suốt thời gian vận hành.
- Đảm bảo khả năng cắt ổn định ngay cả trong điều kiện áp lực và nhiệt độ tăng cao nhờ lớp phủ kim cương độc quyền với độ cứng lên tới 80 Gpa giúp hạn chế tối đa hiện tượng nứt gãy trên bề mặt sản phẩm.
- Tiết kiệm thời gian thiết lập quy trình gia công nhờ bộ thông số cắt được SGSO nghiên cứu và điều chỉnh tối ưu cho từng đường kính dao giúp kỹ sư dễ dàng áp dụng trực tiếp vào thiết bị hiện có mà không cần thử nghiệm nhiều lần.

Lợi ích của Dao phay HDB 2-Flute Ball trong gia công.
- Ổn định sản xuất và tiết kiệm chi phí vận hành khi nhờ giảm tần suất thay dao, từ đó tăng thời gian hoạt động liên tục của máy và nâng cao mức sản lượng hoàn thiện cho mỗi ca làm việc.
- Mở rộng phạm vi ứng dụng với khả năng xử lý hiệu quả đa dạng vật liệu cứng giúp đáp ứng linh hoạt các yêu cầu gia công phức tạp trong ngành cơ khí chính xác. 
- Đảm bảo chất lượng sản phẩm đồng đều với tỷ lệ sản phẩm lỗi được giảm đáng kể và bề mặt các chi tiết mịn đẹp không cần các bước sửa chữa bổ sung.

Vì sao kỹ sư ưu tiên dùng dao phay HDB 2-Flute Ball?
- Bề mặt phay sắc nét đã được kiểm chứng kỹ lưỡng trên mỗi mã sản phẩm trong điều kiện gia công khắc nghiệt của áp lực cắt và biến dạng nhiệt.
- Sản phẩm được nghiên cứu và phát triển bởi một trong những công ty nổi tiếng về dụng cụ cắt hiệu suất cao SGSO Technology. 
- Thiết kế tối ưu tương thích với các dòng máy phay phổ biến trên thị trường nên không cần thay đổi lớn về quy trình, dễ dàng triển khai ngay trong sản xuất.

Là đối tác phân phối chính hãng của SGSO tại Việt Nam, Công ty TNHH XNK Kỹ Thuật Khang Thịnh tự hào mang đến cho các kỹ sư giải pháp gia công cơ khí chính xác với chất lượng được kiểm chứng toàn cầu. Mỗi sản phẩm dao phay được chúng tôi cung cấp đều đảm bảo nguồn gốc chính hãng với mức giá ưu đãi nhất đi kèm chế độ bảo hành 12 tháng trực tiếp từ nhà sản xuất. Đội ngũ quản lý với hơn 10 năm kinh nghiệm trong ngành kinh doanh dao cụ gia công cơ khí của KTTech luôn sẵn sàng tư vấn 24/7, hỗ trợ lắp đặt và hướng dẫn vận hành chi tiết để kỹ sư yên tâm khai thác tối đa hiệu suất của thiết bị. Đặc biệt, KTTech áp dụng chính sách giao hàng miễn phí toàn quốc cho đơn hàng từ 02 sản phẩm trở lên giúp bạn nhận thiết bị nhanh chóng và thuận tiện nhất.

Hãy làm chủ tốc độ cắt vật liệu siêu cứng với dao phay HDB 2-Flute Ball. Liên hệ ngay với KTTech để được tư vấn giải pháp gia công tối ưu nhất!